02 97 02 97 20
Ma liste d’envie
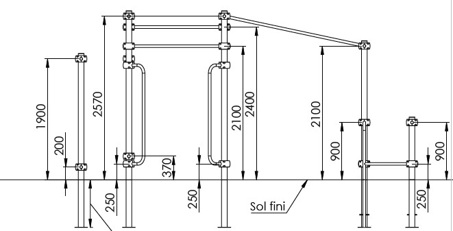
Ref : PCZ

FORZA

Description

🏋️‍♂️ Module Street Workout FORZA (Réf : PCZ) : La Salle de Sport à Ciel Ouvert ! 🌳

Transformez vos espaces extérieurs en véritables temples de la forme avec notre station de Street Workout FORZA. Conçue pour les athlètes aguerris comme pour les débutants, cette structure est l’alliée idéale pour sculpter son corps en toute liberté !

Pourquoi choisir le module FORZA ? Le Street Workout n’est pas qu’une tendance, c’est un mode de vie. Ce module permet de travailler au poids du corps en sollicitant plusieurs groupes musculaires simultanément. Fini l’isolement musculaire, place à un développement physique équilibré, fonctionnel et harmonieux. 💪

🔥 Un entraînement complet en une seule station : Grâce à ses équipements variés (échelles horizontales et verticales, barres de traction, barres parallèles), le module FORZA offre une multitude d’exercices polyarticulaires :

  • Tractions (Pull-ups) : Pour un dos en V et des biceps en béton.

  • Dips & Pompes : Pour exploser les pectoraux et les triceps.

  • Squats & Fentes : Pour des jambes puissantes.

  • Gainage (Abs) : Pour une sangle abdominale solide.

🛠️ Qualité & Robustesse à toute épreuve : Parce que la sécurité et la durabilité sont nos priorités, le module PCZ est conçu pour résister aux éléments et à une utilisation intensive :

  • Structure robuste : Fabriquée en acier galvanisé, garantissant une excellente résistance à la corrosion.

  • Finitions soignées : Assemblage par colliers en polyamide vert, alliant esthétique et protection contre les chocs.

  • Origine certifiée : Conçu et fabriqué en France 🇫🇷.

  • Sécurité : Conforme à la norme NF EN 16899:2016.

Osez le défi FORZA et offrez un espace de convivialité et de performance à vos usagers ! 🚀

Ajouter à ma liste d'envies
Logo ConÇu Et FabriquÉ En France Koko Version Typo Chewy NF EN16899-2016
Pcz Forza 1
Pcz Forza Vue De Coté
Pcz Forza 1
Pcz Forza Vue De Coté

Fonctions sportives

Picto Abdo Abdos
Picto Étirement Étirements
Picto Musculation Musculation
Picto Pompes Pompes
Picto Squats Squats
Picto Suspensions Suspension
Picto Tractions Tractions
Nos fonctions sportives

Quelques photos

Caractéristiques techniques

  • Dimensions zone d'impact : 8,70 x 8,00 m
  • Dimensions hors tout : 5,40 x 4,80 x 2,70 m

Polyvalence des matériaux

Habillages :

Plastique recycle
Bois
Métal
Visuel Hippo

Téléchargements

Vous avez une version ancienne de ce jeu ? Un besoin de pièces détachées ? Contactez notre SAV : Tel: 02 97 02 97 20 ou Mail : sav@synchronicity.fr

Une qualité reconnue depuis 30 ans

House

Made In France

Fabriqué à la commande
Trolley

Clé en main

Fabrication & pose
Sheld Check

Garantie

Et contrat de maintenance
Circle Arrows

Eco-conception

Des matériaux recyclés & recyclables

à propos de nos produits